Принцип действия и устройство электродвигателя постоянного тока
Сейчас невозможно представить нашу жизнь без электродвигателей. Они приводят в действие станки, бытовую технику и инструменты, поезда, трамваи и троллейбусы, компьютеры, игрушки и разные подвижные механизмы, устанавливаются на производственных станках, если частоту вращения рабочего вала требуется регулировать в широком диапазоне. Агрегаты для преобразования электрической энергии в механическую представлены множеством видов и моделей (синхронные, асинхронные, коллекторные и т.д.). Из этой статьи вы узнаете, что такое электродвигатели постоянного тока, его устройство и принцип действия.
Краткая история создания
Разные ученые пытались создать экономичный и мощный двигатель еще с первой половины 19 века. Основой послужило открытие М.Фарадея, сделанное в 1821 г. Он обнаружил, что помещенный в магнитное поле проводник вращается. Отталкиваясь от этого, в 1833 г изобретатель Томас Дэвенпорт смог сконструировать двигатель постоянного тока, а позже, в 1834 г, ученый Б.С.Якоби придумал прообраз современной модели двигателя с вращающимся валом. Устройство, более похожее на современные агрегаты, появилось в 1886 г, и до сегодняшнего дня электродвигатель продолжает совершенствоваться.
Устройство и принцип работы двигателя постоянного тока
На мысль о создании двигателя ученых натолкнуло следующее открытие. Помещенная в магнитное поле проволочная рамка с пропущенным по ней током начинает вращаться, создавая механическую энергию. Принцип действия электродвигателя постоянного тока основывается на взаимодействии магнитных полей рамки и самого магнита. Но одна рамка после определенного количества вращений замирает в положении, параллельном внешнему магнитному полю. Для продолжения движения необходимо добавить вторую рамку и в определенный момент переключить направление тока.
Вместо рамок в двигателе используется набор проводников, на которые подается ток, и якорь. При запуске вокруг него возбуждается магнитное поле, взаимодействующее с полем обмотки. Это заставляет якорь повернуться на определенный угол. Подача тока на следующие проводники приводит к следующему повороту якоря, и далее процесс продолжается.
Магнитное поле создается либо с помощью постоянного магнита (в маломощных агрегатах), либо с помощью индуктора/обмотки возбуждения (в более мощных устройствах).
Попеременную зарядку проводников якоря обеспечивают щетки, сделанные из графита или сплава графита и меди. Они служат контактами, замыкающими электрическую сеть на выводы пар проводников. Изолированные друг от друга выводы представляют собой кольцо из нескольких ламелей, которое находится на оси вала якоря и называется коллекторным узлом. Благодаря поочередному замыканию ламелей щетками двигатель вращается равномерно. Степень равномерности работы двигателя зависит от количества проводников (чем больше, тем равномернее).
Устройство (схема) двигателя постоянного тока

Конструкция электродвигателя постоянного тока состоит из следующих элементов:
1. вал электродвигателя, на который устанавливаются остальные детали.
2. якорь (ротор) двигателя, который включает в себя:
- сердечник якоря, представленный в виде набора пластин из специальной электротехнической стали;
- якорная обмотка;
- коллектор;
- главный полюс, представляющий собой набор пластин из электротехнической стали. Для двигателей малых размеров полюсы изготавливаются из постоянных магнитов;
- обмотка возбуждения;
- монолитные добавочные полюса (в двигателях малых размеров не применяются) предназначены для улучшения коммутации и располагаются между главными полюсами;
- обмотка из эмалированных проводов добавочного полюса;
3. корпус электродвигателя, который чаще всего выполняется из чугуна, так как данный материал обеспечивает возможность эксплуатации электродвигателя в местах с агрессивной средой и обладает высоким уровнем устойчивости к износам. Также для улучшения корпус двигателя может изготавливаться со специальными ребрами, которые обеспечивают термический баланс электродвигателя. Полюсы, образующие индуктор, а также якорь, устанавливаются в корпус двигателя.
4. клеммная коробка. Концы обмоток полюсов двигателя выводятся в клеммную коробку, в которой установлены клеммы с подключенными концами обмоток индуктора и клеммы для подключения щеток якоря. Также предусмотрено одно-два отверстия для установки сальников, через которые заводятся силовые кабели для подключения питания. В машинах малой мощности выводы обмоток размещаются в клеммной коробке, при этом один из зажимов добавочных полюсов и один из зажимов якоря (щеточная траверса) соединены наглухо внутри машины, а в клеммную коробку выведены другие зажимы якоря и добавочных полюсов. В крупных машинах с высоким номинальным током клеммная коробка отсутствует, а выводные концы размещаются в нижней части станины машины. При этом выводные концы параллельной цепи выполняются в виде жил кабелей с наконечниками, последовательной - в виде шин.
Также в конструкции присутствуют такие элементы:
• передний и задний подшипниковые щиты, а также внутренние подшипниковые крышки, которые прикручиваются к подшипниковым щитам;
• щеточный узел, который состоит из кронштейна, щеткодержателей и щеток (графитовых или металло-графитовых). Данный узел крепится на выпуклой части подшипниковой крышки заднего подшипникового щита. Он предназначен для подвода "питания" к катушкам на вращающемся роторе и переключения тока в обмотках якоря;
• вентилятор охлаждения, обеспечивающий поддержание низкой рабочей температуры;
• подшипниковые щиты;
• подшипники;
• наружные подшипниковые крышки, закрывающие подшипники;
• проушины или рым-болты, которые упрощают погрузочно-разгрузочные работы и монтаж двигателя;
• лапы, которые обеспечивают низкий уровень вибрации электродвигателя во время работы;
• защитный кожух вентилятора и кожух выхода воздуха обдува;
• шильдик, на котором указывается основные характеристики двигателя.
Виды электродвигателей
Электродвигатели постоянного тока разделяют по характеру возбуждения:
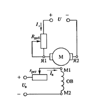
Независимое возбуждение
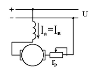
При таком характере возбуждения обмотка подключается к внешнему источнику питания. При этом параметры двигателя аналогичны двигателю на постоянных магнитах. Обороты вращения настраиваются сопротивлением обмоток якоря. Скорость регулируют специальным регулировочным реостатом, включенным в цепь обмоток возбуждения. При значительном снижении сопротивления или при обрыве цепи ток якоря повышается до опасных величин.

Электродвигатели с независимым возбуждением запрещается запускать без нагрузки или с небольшой нагрузкой, так как его скорость резко возрастет, и двигатель выйдет из строя.
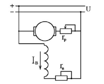
Параллельное возбуждение
Обмотки возбуждения и ротора соединяются параллельно с одним источником тока. При такой схеме ток обмотки возбуждения значительно ниже тока ротора. Параметры двигателей становятся слишком жесткими, их можно применять для привода вентиляторов и станков.

Регулировка оборотов двигателя обеспечивается реостатом в последовательной цепи с обмотками возбуждения или в цепи ротора.
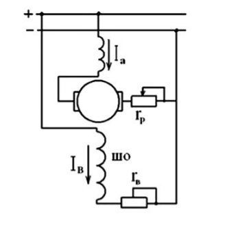
Последовательное возбуждение
В этом случае возбуждающая обмотка подключается последовательно с якорем, в результате чего по этим обмоткам проходит одинаковый ток. Обороты вращения такого мотора зависят от его нагрузки. Двигатель нельзя запускать на холостом ходу без нагрузки. Однако такой двигатель обладает приличными пусковыми параметрами, поэтому подобная схема используется в работе тяжелого электротранспорта.
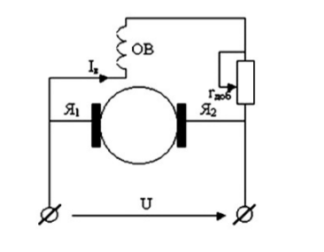
Смешанное возбуждение
Такая схема предусматривает применение двух обмоток возбуждения, находящихся парами на каждом полюсе двигателя. Эти обмотки можно соединять двумя способами: с суммированием потоков, либо с их вычитанием. В итоге электродвигатель может обладать такими же характеристиками, как у двигателей с параллельным или последовательным возбуждением.

Чтобы заставить двигатель вращаться в другую сторону, на одной из обмоток изменяют полярность. Для управления скоростью вращения мотора и его запуском используют ступенчатое переключение разных резисторов.
Особенности эксплуатации
Электродвигатели постоянного тока отличаются экологичностью и надежностью. Их главным отличием от двигателей переменного тока является возможность регулировки оборотов вращения в большом диапазоне.

Такие электродвигатели постоянного тока можно также применять в качестве генератора. Изменив направление тока в обмотке возбуждения или в якоре, можно изменять направление вращения двигателя. Регулировка оборотов вала двигателя осуществляется с помощью переменного резистора. В двигателях с последовательной схемой возбуждения это сопротивление расположено в цепи якоря и позволяет уменьшить скорость вращения в 2-3 раза.
Этот вариант подходит для механизмов с длительным временем простоя, так как при работе реостат сильно нагревается. Повышение оборотов создается путем включения в цепь возбуждающей обмотки реостата.
Для моторов с параллельной схемой возбуждения в цепи якоря также применяются реостаты для уменьшения оборотов в два раза. Если в цепь обмотки возбуждения подключить сопротивление, то это позволит повышать обороты до 4 раз.
Применение реостата связано с выделением тепла. Поэтому в современных конструкциях двигателей реостаты заменяют электронными элементами, управляющими скоростью без сильного нагревания.
На коэффициент полезного действия мотора, работающего на постоянном токе, влияет его мощность. Слабые электродвигатели постоянного тока обладают малой эффективностью, и их КПД около 40%, в то время, как электродвигатели мощностью 1 МВт могут обладать коэффициентом полезного действия до 96%.
Оставьте заявку прямо сейчас
Способы подключения электродвигателя постоянного тока

Двигатели постоянного тока производятся зачастую с параллельным, последовательным и независимым типом возбуждения. В зависимости от типа возбуждения маркировка контактов в клеммной коробке различается. Исходя из вида возбуждения, выполняется различное подключение питающего кабеля.
Для начала рассмотрим подключение кабеля к клеммам электродвигателя с независимым возбуждением обмоток.
В кабельный ввод заводим два двухжильных кабеля с жилами серого и синего цветов. Выполняем зачистку кабеля и жил, после чего надеваем на них кабельные наконечники.
После оконцевания производим подключение жил согласно схеме на внутренней стороне крышки клеммной коробки. Для данного подключения используем схему для двигателей с независимым возбуждением, когда напряжение на обмотки возбуждения и якорь двигателя подаются от независимых источников.
Жилы кабелей подключаем по следующей схеме:
• жила синего цвета первого кабеля - клемма Н1;
• жила серого цвета первого кабеля - клемма Н2;
• жила серого цвета второго кабеля - клемма Д2;
• жила синего цвета второго кабеля - клемма Я2.
Теперь рассмотрим подключение электродвигателя с параллельным и последовательным возбуждением обмоток. Для этого заводим один двухжильный кабель с жилами серого и синего цветов и зачищаем. После этого надеваем на токопроводящие жилы кабельные наконечники.
Для подключения последовательного возбуждения между контактами в определенном порядке устанавливается гибкая перемычка с двух сторон между клеммами С2 и Я2 при помощи провода с наконечниками. Питающий кабель подключаем по следующей схеме:
• жила серого цвета первого кабеля - клемма Д2;
• жила синего цвета первого кабеля - клемма С1.
Для подключения параллельного возбуждения устанавливаем перемычки между контактами Д2 и Ш1 и между контактами Я2 и Ш2. Питающий кабель подключаем следующим образом:
• жила серого цвета - клемма Д2 или Ш1;
• жила синего цвета - клемма Я2 или Ш2.
Принцип работы коллекторного электродвигателя постоянного тока

При подаче питающего напряжения ток проходит сквозь обмотку возбуждения. У смежных полюсов возникает противоположная полярность, из-за чего образуется своеобразный магнит с постоянным магнитным полем. На якорь двигателя через коллектор подаётся постоянный ток, на который со стороны магнитного поля статора действует электромагнитная индукция. В результате создаётся вращающий момент, поворачивающий ротор на 90 электрических градусов. После этого щёточно-коллекторный узел коммутирует обмотки ротора, и вращение продолжается.
Устройство (схема) коллекторного двигателя позволяет изменить направление вращения якоря двигателя. Для этого необходимо поменять направление тока в обмотках возбуждения или обмотке якоря. Это достигается путем изменения полярности питающих жил в клеммной коробке, для чего необходимо поменять плюс с минусом местами. В этом случае подключение коллекторного двигателя производят таким образом:
• жила серого цвета – клемма Н1 (или Я2);
• жила синего цвета – клемма Н2 (или Д2).
При одновременной смене полярности в цепях возбуждения и якоря направление вращения не изменится.
Чтобы изменить направление вращения якоря двигателя постоянного тока с последовательным возбуждением, необходимо поменять направление тока в обмотках возбуждения или обмотке якоря.
Для этого устанавливаем оконцованные с двух сторон перемычки между контактами С1, Д2 и С2 с помощью провода серого цвета.
Далее подсоединяем питание по схеме:
• жила серого цвета - клемма С1;
• жила синего цвета - клемма Я2.
Также перемычки между клеммами С1, Д2 и С2 можно установить с помощью провода синего цвета. В таком случае питание подается по следующей схеме:
• жила серого цвета - клемма Я2;
• жила синего цвета - клемма С1.
Стоит отметить, что при одновременном изменении полярности в цепях возбуждения и якоря направление вращения вала не изменится.
Реверсирование двигателей постоянного тока с параллельным возбуждением лучше производить с помощью изменения направления электрического тока в обмотке якоря. Это вызвано тем, что если в обмотке возбуждения произойдет обрыв провода, то ЭДС возрастет до критических значений, что приведет к пробою изоляции проводов.
Настройка скорости
ДПТ можно легко регулировать. Скорость можно изменить с помощью следующих переменных:
- Напряжение якоря U_A (управление напряжением).
- Основной поток поля (полевое управление), сила магнитного поля.
- Анкерное сопротивление.
Простейшим методом управления скоростью вращения является управление приводным напряжением. Чем выше напряжение, тем выше скорость, которую двигатель пытается достичь. Во многих приложениях простое регулирование напряжения может привести к большим потерям мощности в цепи управления, поэтому широко используется метод широтно-импульсной модуляции.
В основном способе с широтно-импульсной модуляцией рабочая мощность включается и выключается для модуляции тока. Отношение времени включен
Преимущества электродвигателей постоянного тока
- Небольшие габаритные размеры.
- Легкое управление.
- Простая конструкция.
- Возможность применения в качестве генераторов тока.
- Быстрый запуск, особенно характерный для моторов с последовательной схемой возбуждения.
- Возможность плавной регулировки скорости вращения вала.
Оставьте заявку прямо сейчас
- Комментарии


