Механическое торможение с помощью электромагнитного тормоза
Остановка двигателей при таком способе торможения осуществляется благодаря специальным колодкам на тормозном шкиве. После отключения питающего напряжения тормозные колодки под воздействием пружин прижимаются к шкиву. В результате возникающего трения колодок о шкив кинетическая энергия вращающегося вала преобразуется в тепловую, что и приводит к его полной остановке. После подачи напряжения электромагнит (YB) растормаживает колодки, и эксплуатация электродвигателя продолжается в штатном режиме.
В зависимости от схемы электрического торможения, кинетическая энергия вращающегося ротора может отдаваться в сеть или на батарею конденсаторов, а также преобразовываться в тепло, которое поглощается обмотками электродвигателя или специальными реостатами.
Динамическое торможение электродвигателя
Динамическое торможение электродвигателя с короткозамкнутым ротором
Эта схема остановки подходит для трехфазных электродвигателей как с которкозамкнутым, так и с фазным ротором.
Динамическое торможение электродвигателя с короткозамкнутым ротором осуществляется посредством отключения обмоток статора от питающей сети трехфазного переменного тока и переключением двух из них через систему контакторов и реле на источник выпрямленного постоянного напряжения.
Обмотки статора после подачи на них постоянного напряжения генерируют стационарное магнитное поле, под воздействием которого в короткозамкнутой «беличьей клетке»
Динамическое торможение электродвигателя с фазным ротором вращающегося ротора начинает индуцироваться электрический ток, вызывающий появление тормозного момента. Направление этого момента противоположно направлению вращения останавливающегося вала. После остановки двигателя подача постоянного напряжения на обмотки статора прекращается.
В двигателях с фазным ротором величину тормозного момента можно регулировать с помощью дополнительных сопротивлений, в качестве которых используются пусковые резисторы.
Торможение двигателя с короткозамкнутым ротором методом противовключения
Режим динамического торможения
Рассмотрим более подробно особенности "режима динамического торможения". При переходе в этот режим происходит следующая последовательность действий:
- Обмотки статора отключаются от сети переменного тока с помощью контактора или автомата.
- Через определенное "время динамического торможения" (обычно 0,1-0,5 с) обмотки статора подключаются к источнику постоянного напряжения через пускатели, контакторы или силовые транзисторы.
- Подается напряжение Удт определенной величины, рассчитанной заранее исходя из необходимого тормозного момента.
- После остановки двигателя, его обмотки отключаются от источника постоянного напряжения.
Таким образом, в "режиме динамического торможения" обмотки статора питаются от источника постоянного напряжения только на время собственно процесса торможения, что исключает их перегрев.
Преимущества и недостатки
Динамическое торможение имеет ряд существенных преимуществ:
- Высокая скорость торможения, возможность быстрой остановки механизмов
- Хорошая управляемость и плавность остановки
- Простота реализации тормозных устройств
- Низкая стоимость по сравнению с механическими тормозными системами
- Высокая надежность и долговечность
Вместе с тем, динамическое торможение имеет и некоторые недостатки:
- Нагрев обмоток двигателя и потери энергии в виде тепла
- Ограничение по максимальной мощности торможения
- Невозможность использования с двигателями постоянного тока
Тем не менее, в подавляющем большинстве случаев преимущества динамического торможения намного перевешивают его недостатки. Поэтому этот метод получил такое широкое распространение в современных электроприводах различных механизмов и машин.
Торможение противовключением
Торможение асинхронного электродвигателя методом противовключения осуществляется путем реверсирования двигателя без отключения от питающей сети.
Управление торможением выполняется реле контроля скорости. В рабочем режиме контакты реле замкнуты. После нажатия на кнопку «СТОП» (SBC) группа контакторов производит переключение двух фаз, меняя порядок их чередования. В результате этого магнитное поле статора начинает вращаться в противоположном направлении, что приводит к замедлению вращения ротора. Когда скорость вращения становится близкой к нулю, реле контроля скорости размыкает контакты и подача питающего напряжения прекращается.
Конденсаторное торможение электродвигателей
Этот способ, называемый еще торможение с самовозбуждением, применим только к электродвигателям с короткозамкнутым ротором.

После прекращения подачи питающего напряжения ротор электродвигателя продолжает вращение по инерции и генерирует в обмотках статора электрический ток, который вначале заряжает батарею конденсаторов, а после накопления номинального заряда возвращается в обмотки. Это приводит к возникновению тормозного момента, величина которого зависти от емкости конденсаторных батарей, подключенных к каждой фазе по схеме «звезда» или «треугольник». Торможение с самовозбуждением применяется на двигателях с большим числом пусков-остановов, так как величина потерь энергии в двигателях при такой схеме остановки минимальная.
Рекуперативное торможение
Рекуперативное или иначе генераторное торможение асинхронных электродвигателей на практике используется в качестве предварительного подтормаживания , а также при опускании грузов кранами всех типов или пассажирских и грузовых лифтовых кабин.
Торможение асинхронного электродвигателя в рекуперативном режиме происходит, когда номинальная частота вращения ротора превышает его синхронную частоту. Двигатель начинает генерировать электрическую энергию и отдавать ее в питающую сеть, в результате чего создается тормозящий момент. Такой способ остановки применяется для многоскоростных двигателей путем постепенного переключения с большей частоты вращения ротора на меньшую. Таким образом, в определенный момент скорость, вращающегося под воздействием инерции вала, будет больше синхронной частоты, соответствующей подключенному количеству полюсов статора. Кроме того, рекуперативная схема торможения применяется для двигателей, подключенных к преобразователям частоты. Для этого достаточно уменьшить частоту питающего напряжения.
Динамическое торможение
Такая схема торможения применяется для двигателей с независимым возбуждением.
После нажатия кнопки «Стоп» (SB1) происходит отключение обмоток якоря от питающей сети и переподключение их на тормозной резистор. В обмотках якоря, вращающегося по инерции в стационарном магнитном поле, индуцируется постоянный ток, который проходя по обмоточным проводам резистора, преобразовывается в тепловую энергию.
Управление включением асинхронных электродвигателей с короткозамкнутым ротором
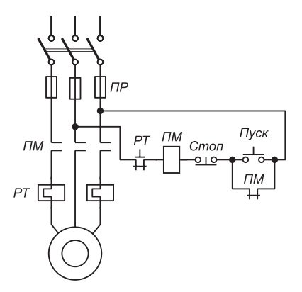
Схема управления с помощью магнитного пускателя (рис. 1). Магнитные пускатели широко применяют для пуска асинхронных электродвигателей мощностью до 75 кВт. Они обеспечивают дистанционный пуск, остановку, нулевую защиту и, с помощью теплового реле, защиту от перегрузок двигателя. При нажатии кнопки «Пуск» главные контакты ПМ включают двигатель; блок — контакты ПМ шунтируют кнопку «Пуск»; для отключения нужно нажать кнопку «Стоп».
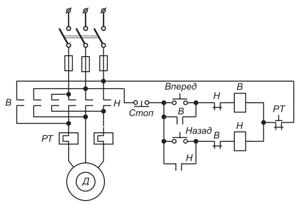
Схема управления с помощью реверсивного магнитного пускателя (рис. 2). В тех случаях, когда в процессе работы необходимо изменять направление вращения электродвигателя, применяют реверсивные магнитные пускатели. Такой пускатель состоит из двух нереверсивных, помещенных в один кожух и имеющих блокировку (размыкающие контакты Н и В) от возможности одновременного включения главных контактов в цепи двигателя.
Для лучшей блокировки от возможности одновременного включения обеих пускателей применяются кнопки с нормально замкнутыми и нормально разомкнутыми контактами. При нажатии кнопки «Вперед» одновременно размыкаются контакты «Назад» (рис. 3).
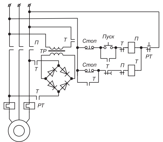
Схема управления с динамическим торможением (рис. 4). Для быстрого торможения в обмотку статора подается постоянный ток. При нажатии кнопки «Стоп» отключается контактор П и включается контактор Т. С последним связано маятниковое реле, которое с выдержкой времени размыкает свой размыкающий контакт. Контактор Т отключает питание двигателя постоянным током.
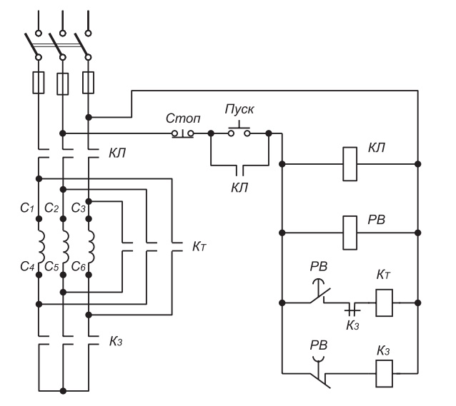
Схема управления с переключением при пуске обмотки со «звезды» на «треугольник» (рис. 5). При нажатии кнопки «Пуск» включается линейный контактор КЛ и получает питание катушка реле времени РВ, размыкающий блок-контакт которого включает катушку контактора К3.

Рис. 1. Схема управления асинхронным электродвигателем при помощи магнитного пускателя

Рис. 2. Схема управления асинхронным электродвигателем при помощи реверсивного магнитного пускателя

Рис. 3. Схема управления реверсивным пускателем с блокировочными кнопками

Рис. 4. Схема управления асинхронным электродвигателем с динамическим торможением
При этом размыкается блок-контакт К3 в цепи катушки КТ. Двигатель разгоняется при включении обмоток цепи в «звезду». Через 5—10 с (в зависимости от установленной выдержки времени) размыкается замыкающий контакт реле времени РВ. Это приводит к отключению контактора К3 и включению контактора КТ. Одновременное включение контакторов К3 и КТ исключается размыкающим блок-контактом К3.

Рис. 5. Схема управления асинхронным электродвигателем с переключением при пуске обмотки статора со «звезды» на «треугольник»

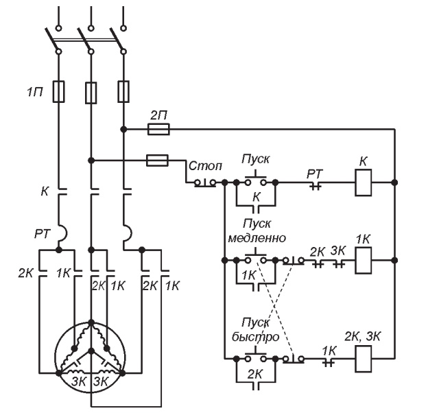
Рис. 6. Электрическая схема управления двухскоростным асинхронным электродвигателем
Схема управления двухскоростным асинхронным электродвигателем (рис. 6). Конструкция многоскоростного асинхронного электродвигателя позволяет изменять число полюсов обмотки статора. Изменение числа пар полюсов меняет скорость вращения асинхронного электродвигателя. Для производственных механизмов, требующих две скорости вращения, отличающиеся в два раза, применяют двухскоростные асинхронные электродвигатели. Нажимая кнопку «Пуск», включают контактор К, который своими главными контактами подготавливает цепь включения статора двигателя. Воздействуя на кнопку
«Пуск медленно», включают контактор 1К, который подключает обмотку статора, соединенную в треугольник. Если необходимо увеличить скорость, нажимают кнопку «Пуск быстро». Образуется замкнутая цепь питания параллельно включенных катушек 2К и 3К. При этом число пар полюсов уменьшается вдвое, и электродвигатель вращается с большей скоростью.
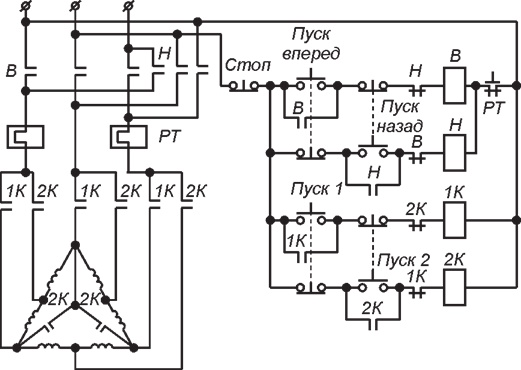
Схема управления реверсивным двухскоростным электродвигателем (рис. 7). Нажатием кнопок «Пуск 1» или «Пуск 2» устанавливают необходимую частоту вращения при соединениях обмоток двигателя в «треугольник» или в «двойную звезду». Контакторы В или Н включаются нажатием кнопок
«Пуск вперед» или «Пуск назад». Двухцепные кнопки позволяют осуществить дополнительную блокировку, исключающую одновременное включение контакторов В, Н и 1К, 2К.
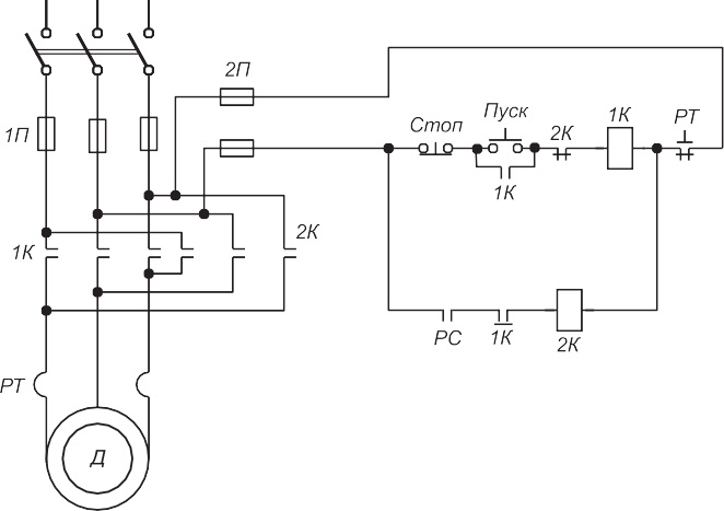
Торможение асинхронного электродвигателя противовключением (рис. 8). При торможении противовключением электродвигатель включается на время торможения в сеть с соединением обмоток статора с противоположным направлением вращения. При этом необходимо, чтобы двигатель отключился от сети в момент достижения скорости вращения, близкой к нулю.

Рис. 7. Схема управления реверсивным двухскоростным электродвигателем

Рис. 8. Торможение асинхронного короткозамкнутого электродвигателя противовключением
Для этого в цепь катушки контактора 2К включены замыкающие контакты реле контроля скорости РС, работающего от вала двигателя. При работе двигателя эти контакты замкнуты, а размыкающие контакты контактора 1К разомкнуты и контактор торможения 2К отключен. В режиме торможения, когда нажата кнопка «Стоп», катушка 1К обесточивается, электродвигатель отключается от сети. Одновременно размыкающий дополнительный контакт 1К замыкается и включает контактор торможения 2К. При достижении скорости, близкой нулю, реле РС срабатывает, его контакт отключает цепь питания контактора 2К и двигатель затормаживается.
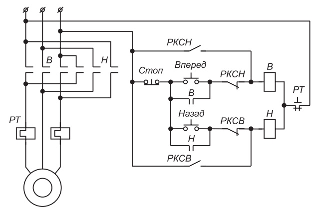
Схема управления реверсивным электродвигателем с торможением противовключением и использованием реле контроля скорости (рис. 9). При нажатии кнопок «Вперед» или «Назад» замыкаются соответственно цепи катушек контакторов В или Н, срабатывают их контакты, статор двигателя подключается к сети, ротор начинает вращаться.

Рис. 9. Схема управления реверсивным электродвигателем с торможением противовключением
Одновременно с началом вращения приводится в действие вал реле контроля скорости и замыкаются соответствующие контакты реле РКСВ или РКСН, которые подготавливают цепи катушек контакторов «Вперед» или «Назад» к работе (при работе двигателя в режиме «Вперед» подготавливается к работе цепь катушки контактора
«Назад», и наоборот). При остановке двигателя, когда нажата кнопка «Стоп», разрывается цепь работающей катушки («Вперед» или «Назад»), главные контакты отключают двигатель от сети, а блок-контакты замыкают цепь катушки контактора «Назад» в том случае, когда двигатель работал вращаясь «Вперед», и наоборот. Таким образом, двигатель переключается в реверсивный режим, однако по инерции продолжает вращаться в прежнем направлении, работая в тормозном режиме противовключения. Из-за действия тормозного момента частота вращения ротора постепенно снижается и при достижении частоты, близкой к нулю, контакты реле контроля скорости размыкают цепи катушек контакторов
«Вперед» или «Назад» и отключают статор двигателя от сети.
Управление электроприводами с асинхронными электродвигателями с фазным ротором
Схема управления в функции времени (рис. 10). Эта схема является типичной для двигателей длительного режима с использованием маятниковых реле времени. При нажатии кнопки «Пуск» включается контактор Л. При включении контактора Л начинает работать маятниковое реле, которое через заданный промежуток времени включит своими контактами контактор 1У. Далее процесс повторяется. Замыкающий блок-контакт Л (1—2) предназначен для облегчения работы контактов маятникового реле.
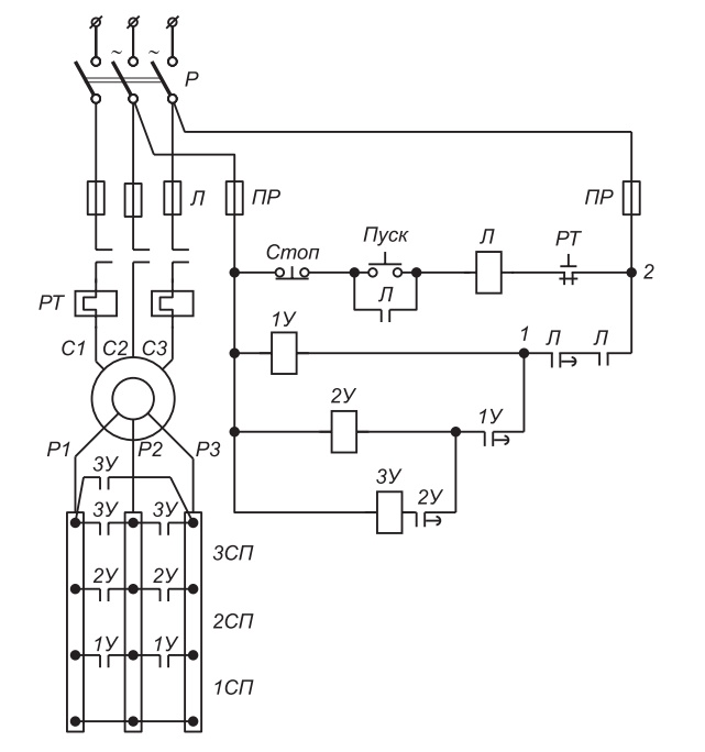
Схема управления в функции времени с несколькими реле времени (рис.11).

Рис. 10. Схема управления асинхронным электродвигателем с фазным ротором в функции времени
Асинхронный электродвигатель с фазным ротором пускают с помощью пусковых реостатов, состоящих из нескольких ступеней, включаемых в фазы обмоток ротора.
При нажатии на кнопку «Пуск» катушка магнитного пускателя ПМ получает питание, и электродвигатель включается на полное сопротивление пускового реостата. Одновременно включается реле времени 1РВ, которое через выдержку времени, достаточную для разгона двигателя на этой ступени, включает контактор 1К, и он своими контактами закорачивает первую ступень пускового реостата. Блок-контакты контактора блокируют катушку 1К и отключают реле времени 1РВ.
Включается одновременно с катушкой 1К реле времени 2РВ, которое через заданную выдержку времени включает второй контактор 2К, а он отключает вторую ступень пускового реостата. Третья ступень пускового реостата отключается аналогично.
Необходимо обеспечивать выбор правильных выдержек времени реле 1РВ, 2РВ и 3РВ. Чрезмерно большие выдержки времени затягивают процесс пуска, а заниженные — не обеспечивают разгон до нужной скорости и вызывают повышенные броски тока. При нажатии на кнопку «Стоп» электродвигатель отключается, и все ступени пускового реостата включаются по фазам ротора.
Схема управления в функции тока (рис. 12). В роторную цепь включены катушки токовых реле ускорения 1РУ, 2РУ, 3РУ, настроенные на срабатывание при токах I1РУ, I2РУ, I3РУ. Контактор 1У включается при спаде силы пускового тока в роторной цепи до значения, соответствующего уставке реле 1РУ.

Рис. 11. Электрическая схема управления асинхронным электродвигателем с фазным ротором
При большей силе тока в цепи ротора размыкающий контакт 1РУ будет разомкнут. Реле ускорения 2РУ и 3РУ, контакторы 2У и 3У работают так же. Из-за возможности вибраций размыкающих контактов реле ускорения 1РУ, 2РУ и 3РУ предусмотрено их шунтирование размыкающими блок-контактами 1У, 2У и 3У. Реле блокировки РБ создает выдержку времени, пока сила тока в роторной цепи не достигнет значения, при котором сработает реле ускорения.
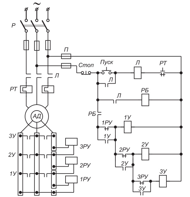
Схема управления в функции частоты (рис. 13). Работа этой схемы обеспечивается с помощью частотных реле 1ЧР, 2ЧР и 3ЧР, катушки которых включены в цепь ротора. Магнитный поток реле создается совместным действием магнитодвижущих сил катушки и короткозамкнутого витка (гильзы). При пуске, т.е. при большой частоте переменного тока в роторе двигателя, размагничивающее действие тока, протекающего по витку, будет велико, и магнитный поток реле будет относительно мал. При уменьшении частоты тока в роторе магнитный поток реле возрастает, так как происходит уменьшение тока в короткозамкнутом витке. При каком-то определенном значении частоты якорь притягивается и замыкает контакты реле частоты (1ЧР, 2ЧР и 3ЧР) в цепи контактора ускорения (1У, 2У и 3У). При оживлении током катушки контактора ускорения происходит шунтирование его контактами соответствующей ступени пускового сопротивления, включенного в цепь ротора. Частотные реле должны быть настроены на определенные частоты.

Рис. 12. Схема управления асинхронным электродвигателем с фазным ротором в функции силы тока

Рис. 13. Схема управления асинхронным электродвигателем с фазным ротором в функции частоты
